連接件模型
Connector Model
Connector Model
聯系APAS / Contact us
- 地址:天津市西青經濟技術開發區賽達國際工業城A3-2.
- 郵箱:lxc@apas.com.cn
- 電話:022-87920088
- 傳真:請聯系網絡管理員
- 郵編:300385
- 咨詢熱線:13702119190(24小時服務熱線)
連接件模型
/ Connector Model

40系列鋁型材T型螺栓3d模型
產品描述 / Name
T型螺栓是一款非常便捷的鋁型材框架緊固連接件,用于鋁型材角件的固定連接,通常會與法蘭螺母配合使用,設計師可以下載T型螺栓Solidworks三維模型進行鋁型材框架設計組裝;
022-87920099
可以根據需求進行設計加工,提供上門安裝服務;可以根據特殊需求進行鋁型材開模定制。
* 免費提供工業鋁型材選型手冊 →點擊咨詢
內容來源:http://www.i98i98.com 作者:武將 發布日期:2019年09月27日 10時19分 閱讀次數:3355 次
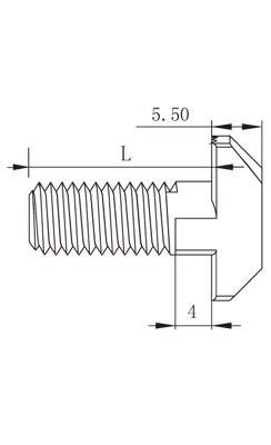
| T型螺栓可以直接放入鋁型材槽內,安裝過程中它可以自動定位鎖緊,通常會與法蘭螺母配合使用,是安裝鋁型材角件等其他型材配件的好幫手,可以根據不同規格的鋁型材以及不同的安裝需求選用不同規格長度的T型螺栓進行固定連接; |
| ? |
![]() ![]()
|
| ? |
| T型螺栓特殊的結構設計可實現螺栓在型材槽內自動定位鎖緊,操作簡單,是非常便捷的鋁型材快速緊固連接配件;T型螺栓分為多種規格型號,可適用于不同規格鋁型材槽型以及槽深等,可以參照技術參數進行合理的選型; |
| ? |
|
適用鋁型材槽型
|
L(mm)
|
螺紋
|
材質
|
訂貨編號
|
|
槽8
|
20
|
M8
|
碳鋼(鍍鋅或鍍鎳)
|
CE-TB8×20-40
|
|
槽8
|
23
|
M8
|
碳鋼(鍍鋅或鍍鎳)
|
CE-TB8×23-40
|
|
槽8
|
25
|
M8
|
碳鋼(鍍鋅或鍍鎳)
|
CE-TB8×25-40
|
|
槽8
|
30
|
M8
|
碳鋼(鍍鋅或鍍鎳)
|
CE-TB8×30-40
|
|
槽8
|
40
|
M8
|
碳鋼(鍍鋅或鍍鎳)
|
CE-TB8×40-40
|
聯系APAS/ Contact us
天津艾普斯工業鋁型材股份有限公司
聯系電話:022-87920088
企業傳真:(避免惡意廣告)請聯系該企業網絡管理員
服務熱線:13702119190 (24小時服務熱線)
Q Q:534973906
企業郵箱: lxc@apas.com.cn
企業地址:天津市西青經濟技術開發區賽達國際工業城A3-2
聯系電話:022-87920088
企業傳真:(避免惡意廣告)請聯系該企業網絡管理員
服務熱線:13702119190 (24小時服務熱線)
Q Q:534973906
企業郵箱: lxc@apas.com.cn
企業地址:天津市西青經濟技術開發區賽達國際工業城A3-2
采購意向留言:* 為必填















QQ咨詢
電話聯系
聯系電話

在線留言
樣冊下載
